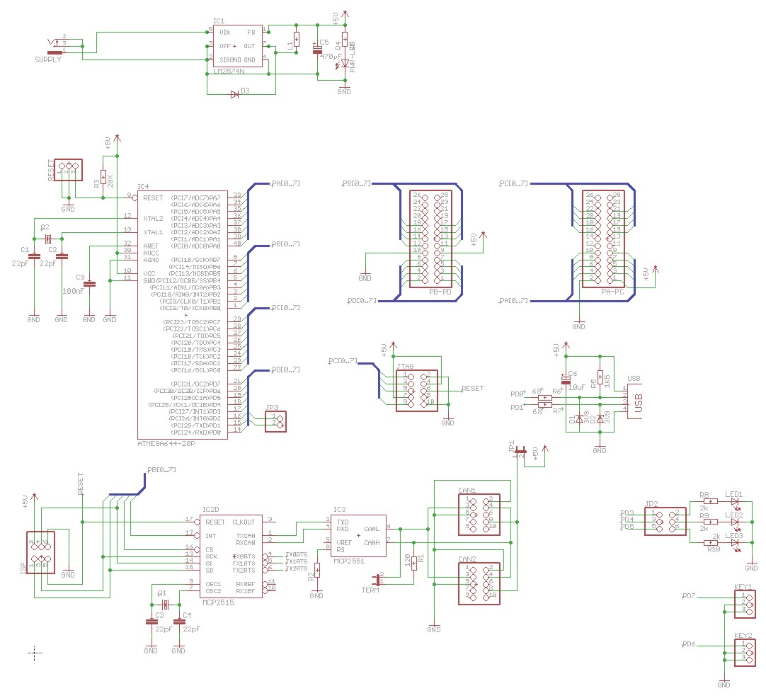
Autostudy CAN - Circuit Diagram

Autostudy CAN - Circuit Diagram

Autostudy CAN - Circuit Diagram

← Back to Autostudy CAN

Title::
Autostudy CAN - Circuit Diagram
Date::
2020/07/20 12:00
Filename::
can-v4-schematic.jpg
Caption::
Autostudy CAN - Circuit Diagram
Format::
JPEG
Size::
149KB
Width::
1082
Height::
986