ITT AVR Laboratory Node Hardware Reference

Introduction

Each laboratory node is equipped with an ATmega2561 chip. Several peripherals, sensors and motors and network services are available for the user. The UI is necessary to observe results in the camera when programming remotely. Thus, a proper understanding of UI programming is essential to successfully using the devices.

Hardware reference

The main module is a controller development board (controller board) equipped with the AVR ATmega2561 microcontroller. In addition to the microcontroller, the board consists of several peripherals, voltage stabilizer, connectors, JTAG programmer, Ethernet, SD memory card slot. The controller board has the following features:

  • ATmega2561-16AU microcontroller
    • 8-channel 10-bit A/D converter
    • 256 kB Flash memory (program memory)
    • 4kB EEPROM memory (data memory)
    • 6 channel programmable PWM
  • Integrated JTAG programmer (based on FTDI2232)
  • 14,7456 MHz clock
  • Ethernet module with RJ45 connector
  • SD memory card slot
  • Status LED (PB7)and Power LED
  • Programmable button (PC2) and reset button
  • All Atmega signals available on three connectors (1: ports D, B, E; 2: ports G, C, A; 3: port F with ADC I/O lines)
  • 2,1 mm power socket
  • Automatic power switch USB or external power supply
  • Built-in voltage stabilizer, with 5 V and 3,3 V output
Figure 1: Controller module

Connector Pins and Functions

All ATmega2561 signals are available on three connectors on the edge of the board.

NrPinAlternative function / Description
1VCC- +5 V
2GND- GND
3REFAREFAnalog Reference Voltage For ADC
4GND- GND
5PF0ADC0ADC Input Channel 0
6GND-GND
7PF1ADC1ADC Input Channel 1
8GND-GND
9PF2ADC2ADC Input Channel 2
10GND-GND
11PF3ADC3ADC Input Channel 3
12GND-GND

NrPinAlternative function / Description
1 PD7T2 Timer/Counter2 Clock Input
2 PD6T1 Timer/Counter1 Clock Input
3 PD5XCK1 USART1 External Clock Input/Output
4 PD4IC1 Timer/Counter1 Input Capture Trigger
5 PD3INT3/TXD1 External Interrupt3 Input or UART1 Transmit Pin
6 PD2INT2/RXD1 External Interrupt2 Input or UART1 Receive Pin
7 PD1INT1/SDA External Interrupt1 Input or TWI Serial Data
8 PD0INT0/SCL External Interrupt0 Input or TWI Serial Clock
9 VCC- +5V
10GND- GND
11PB7OC0A/OC1C/PCINT7Output Compare and PWM Output A for Timer/Counter0, Output Compare and PWM Output C for Timer/Counter1 or Pin Change Interrupt 7
12PB6OC1B/PCINT6Output Compare and PWM Output B for Timer/Counter1 or Pin Change Interrupt 6
13PB5OC1A/PCINT5Output Compare and PWM Output A for Timer/Counter1 or Pin Change Interrupt 5
14PB4OC2A/PCINT4Output Compare and PWM Output A for Timer/Counter2 or Pin Change Interrupt 4
15PB3MISO/PCINT3SPI Bus Master Input/Slave Output or Pin Change Interrupt 3
16PB2MOSI/PCINT2SPI Bus Master Output/Slave Input or Pin Change Interrupt 2
17PB1SCK/PCINT1SPI Bus Serial Clock or Pin Change Interrupt 1
18PB0SS/PCINT0SPI Slave Select input or Pin Change Interrupt 0
19PE7INT7/IC3/CLK0 External Interrupt 7 Input, Timer/Counter3 Input Capture Trigger or Divided System Clock
20PE6INT6/T3 External Interrupt 6 Input or Timer/Counter3 Clock Input
21PE5INT5/OC3CExternal Interrupt 5 Input or Output Compare and PWM Output C for Timer/Counter3
22PE4INT4/OC3BExternal Interrupt4 Input or Output Compare and PWM Output B for Timer/Counter3
23PE3AIN1/OC3AAnalog Comparator Negative Input or Output Compare and PWM Output A for Timer/Counter3
24PE2AIN0/XCK0Analog Comparator Positive Input or USART0 external clock input/output
25PE1PDO/TXD0 ISP Programming Interface Data Output or USART0 Transmit Pin
26PE0PDI/RXD0/INT8 ISP Programming Interface Data Input, USART0 Receive Pin or Pin Change Interrupt 8

NrPinAlternative function / Description
1 GND- Gnd
2 VCC- +5 V
3 PA0AD0External memory interface address and data bit 0
4 PA1AD1External memory interface address and data bit 1
5 PA2AD2External memory interface address and data bit 2
6 PA3AD3External memory interface address and data bit 3
7 PA4AD4External memory interface address and data bit 4
8 PA5AD5External memory interface address and data bit 5
9 PA6AD6External memory interface address and data bit 6
10PA7AD7External memory interface address and data bit 7
11PG4TOSC1RTC Oscillator Timer/Counter2
12PG5OC0BOutput Compare and PWM Output B for Timer/Counter0
13PG2ALEAddress Latch Enable to external memory
14PG3TOSC2RTC Oscillator Timer/Counter2
15PC6A14External Memory interface address bit 14
16PC7A15External Memory interface address bit 15
17PC4A12External Memory interface address bit 12
18PC5A13External Memory interface address bit 13
19PC2A10External Memory interface address bit 10
20PC3A11External Memory interface address bit 11
21PC0A8 External Memory interface address bit 8
22PC1A9 External Memory interface address bit 9
23PG0WR Write strobe to external memory
24PG1RD Read strobe to external memory
25GND- GND
263V3- +3,3 V

User Interface module

The User Interface module is designed for simple tasks and basic process control. Module has three push-buttons and three LEDs, which can be used as digital inputs and outputs of microcontroller. Additionally to simple LEDs the module is equipped with 7-segment indicator, graphical LCD display and a buzzer. User Interface module is handy to use along with other modules enabling to control the output device behavior, like motors and display the sensor readings.

Module features:

  • Three LEDs: green, yellow and red;
  • Three push-buttons;
  • 7-segment indicator;
  • Graphical LCD;
  • Buzzer;
Figure 2: User Interface module module

Electrical connections

The User Interface module is connected to the Controller module to ports PA/PC/PG, which includes the 8-pin ports PA and PC and the 6-pin port PG.

The User Interface module is equipped with three buttons, S1, S2, and S3, which are connected to ports PC0, PC1, and PC2, respectively. The other ends of the buttons are connected through the resistors to ground (logical 0). LED1, LED2, and LED3 on the module are connected to the ports PC3, PC4, and PC5, respectively. The anodes of LEDs are connected to the supply (logical 1).

Figure 3: Schematics of buttons and LEDs

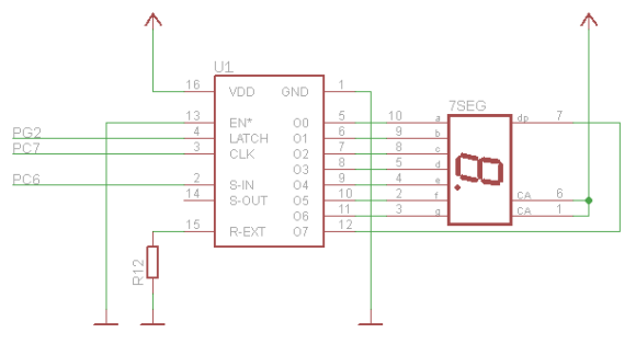
The User Interface module is equipped with a 7-segment indicator, which is connected to the microcontroller ports through the driver A6275. Driver data bus (S-IN) is connected to pin PC6, clock signal (CLK) to the pin PC7, and latch signal (LATCH) to pin PG2.

Figure 4: Schematics of 7-segment indicator

The graphical LCD display on the module is connected to port PA. LCD's background lighting can be logically controlled by the software.

Figure 5: Schematics of LCD

Combo module

The combo module is used in this remote Laboratory to power the motors and connect external sensors.

The combo module can drive the following motors:

  • 4 x DC motors
  • 1 x Stepper
  • 2 x Servomotor



Connect the following sensors:

  • 4 x analog
  • 4 x digital
  • 2 x coder
  • 8x digital inputs through a parallel-to-serial converter



Figure 6: Combo board with XBee module

Electrical connections

The combo board is connected with the controller using PA-PB-PC-PD-PE-PF ports. DC and stepper motor feeds come from an external power cord; the servo motor feed comes through a 5V voltage regulator, also from an external power cord. The motor's power circuit is separated from the controller's power circuit.

DC motors

DC motors are connected to the DC group of pins. Every pair of pins can control 1 DC motor, thus it's possible to manipulate 4 DC motors. The combo board uses bd6226fp H-bridge to control DC motors. It's possible to manipulate a device that can be controlled digitally, with a current of less than 1 A and a voltage of no more than 18 V, such as a DC motor with DC pins (e.g., Piezoelectric generator, relay).

Figure 7: DC motor connection scheme
AVR pin Signal AVR pin Signal
PB4 Motor 1 A PD6 Motor 3 A
PB7 Motor 1 B PD7 Motor 3 B
PD0 Motor 2 A PD4 Motor 4 A
PD1 Motor 2 B PD5 Motor 4 B

Stepper motor

Figure 8: Stepper connection scheme

Servomotor

The servo motor is connected to Servo group of pins. Ground wire is connected to the GND pin, which is the pin nearest to the board edge. It's possible to use two servomotors at once. Signal pins on the Combo module are directly connected to the controller's timer output pins.

Figure 9: Servomotor connection scheme
AVR pin Signal Socket
PB5(OC1A) PWM1 Top
PB6(OC1B) PWM2 Bottom
en/iot-open/practical/hardware/ittgroup/atmel.txt · Last modified: 2025/09/02 11:36 by raivo.sell
CC Attribution-Share Alike 4.0 International
www.chimeric.de Valid CSS Driven by DokuWiki do yourself a favour and use a real browser - get firefox!! Recent changes RSS feed Valid XHTML 1.0