Abimaterjale

Akutrelli modifitseerimine

Akutrelli elektroonika kasutamine

Akutrell kasutab kiiruse reguleerimiseks lihtsat elektroonikaskeemi, kus mootorile rakendavat pinget juhib mosfet väljatransistor GFP60N06. Seda väljatransistorit juhib omakorda astmeliselt trelli päästiku liugur läbi komponendi GS069. Seda komponenti saab edukalt asendada mikrokontrolleri PWM väljundiga.

Alljärgnev skeem võimaldab lihtsalt juhtida akutrelli mootori pöörlemissagedust, kasutades akutrelli enda mosfet väljatransistorit. Samuti on võimalik kasutada ära trelli juhtloogika mõlemad dioodid.

Mootori reverseerimiseks peab koostama natuke keerukama H-silla tüüpi skeemi ja akutrelli enda elektroonikast enam ei piisa. Küll on aga võimalik teha mehaaniline reverseerimine (nii nagu akutrellil see originaalis on) võib kasutada ära akutrelli mehaanilist lülitit ja pöörata seda näiteks kodulabori lisakomplektis oleva mini-servo mootoriga.

Akutrelli mootori juhtimise skeem

Mootori juhtskeem

Skeem on koostatud nii, et enamus komponente saab akutrellist, siiski läheb ühe skeemi jaoks lisaks vaja:

Tähis Nimetus Väärtus Tk. ühe skeemi kohta
R1 Takisti 4,7k 1
R2 Takisti 120R 1
R3 Takisti 10k 1
T1 NPN transistor BC 239C1

Võib kasutada ka mingit muud NPN transistori, aga kindlasti peab olema lubatud kollektori ja emitteri vaheline pinge Uce suurem kui 15 V

Skeem töötab ka ilma “Töötab omal vastutusel” osata, seda on soovituslik kasutada, sest see kaitseb Kodulabori komplekti. Skeem ilma “Töötab omal vastutusel” osata:

Skeem ilma NPN transistorita
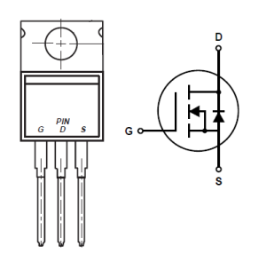
MOSFET väljatransistori ühendamise skeem

Mosfet väljatransistori viikude tähised:

  • S - sourse ehk läte
  • D - drain ehk neel
  • G - gate ehk pais

Laengukandjad sisenevad väljatransistori lätte kaudu ja väljuvad neelust. Paisuga juhitakse, kui palju laengu kandjaid väljatransistorist läbi lastakse. Antud skeemi puhul juhime väljatransistoriga maasse suunduvaid laengukandijaid, ehk potensiaalide erinevust mootori klemmidel. Kui väljatransistori paisul on positiivne pinge, siis on see avatud ja mootor pöörleb täiskiirusel. Mootori pöörlemiskiirust muudetakse väljatransistori väga kiirelt sisse-välja lülitades.

Skeemi järgi tuleb ühendada läte (S) dioodi D2 +klemmiga ja seejärel D2 +klemm mehaanilise lüliti ühe viiguga. Väljatransistori neel(D) tuleb ühendada maaga, maaga peab ühendama ka mootoriteplaadi DC0 viikude paarist alumise viigu, R1 takisti ühe elektroodi, akutrelli aku -potensiaaliga klemmi ja kui kasutusel NPN transistor, siis selle emitter elektroodi. Teistesõnadega on kõik need elektroodid/viigud omavahel ühendatud. Väljatransistori pais ühendatakse kas läbi kaitsedioodi D1 Mootoriteplaadiga või NPN transistori kollektor elektroodiga.

Näite kood

NB! Kood töötab õieti ainult kõige uuema teegi versiooniga. Viimane tarvara teegi versioon on leitav siit

//**************************************************************************
// Vajalik riistvara:
// 1. Üks akutrelli mootori juhtsskeem koos trelli mootoriga
// 2. Kodulabori kontrollermoodul ATmega2561
// 3. Kodulabori mootorite moodul või komboplaat
// 4. Kodulabori kasutajaliidese moodul
//
// Kirjeldus:
// Näide on mõeldud ühe akutrelli mootori kiiruse juhtimiseks
// koos mootori juhtskeemiga. Nupp S1 suurendab ja 
// nupp S2 vähendab DC0 viikude paari ühendatud mootori kiirust
// ning S3 paneb mootori tööle poole kiirusega.
//**************************************************************************
#include <homelab/pin.h>
#include <homelab/module/motors.h>
// Nuppude viigud
pin button1 = PIN(C, 0);
pin button2 = PIN(C, 1);
pin button3 = PIN(C, 2);
 
int main(void)
{
  unsigned char speed = 0;
  signed char direction = 1;
 
	// Seab nupud töökorda
	pin_setup_input_with_pullup(button1);
	pin_setup_input_with_pullup(button2);
        pin_setup_input_with_pullup(button3);
 
        // Mootori (DC0 väljundi) algseadistamine PWM reziimi
  	dcmotor_drive_pwm_init(0);
 
  	while(1)
  	{
 		// Nupp S1 alla vajutatud, suurendame kiirust
		if(!pin_get_debounced_value(button1))
		{
			speed++;	
		}
		// Nupp S2 alla vajutatud, vähendame kiirust
	        if(!pin_get_debounced_value(button2))
		{
			speed--;
		}
               //Nupp S3 seab kiiruse 50%-le
               if(!pin_get_debounced_value(button3))
		{
			speed=127;
		}
 
		// Mootorile valitud kiiruse etteandmine
		dcmotor_drive_pwm(0, direction, speed);
  	}
}

Antud koodiga genereeritakse PWM signaal Moototorite plaadi DC0 viikude paaril, mootori juhtskeemis olev viik nimega DC0 peab olema ühendatud mootoriplaadi DC0 viikude paarist ülemise viiguga - nagu alloleval pildil näidatud, peab punase juhtme ühendama skeemi DC0 viiguga ja must juhme maaga.

et/competition/cart/guideline.txt · Last modified: 2020/07/20 12:00 by 127.0.0.1
CC Attribution-Share Alike 4.0 International
www.chimeric.de Valid CSS Driven by DokuWiki do yourself a favour and use a real browser - get firefox!! Recent changes RSS feed Valid XHTML 1.0